ЗакладкиЗаказы ЗАКАЗАТЬ

Задача 5-9-5-19

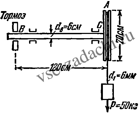
Груз Р со скоростью 2 м/сек опускается с помощью стального троса, намотанного на шкив А; последний насажен на вал ВС. Когда длина троса оказывается равной 30 м, происходит остановка вращения вала в сечении В (см. рисунок). Момент инерции шкива 100 кгсмсек2, модуль упругости троса E = 1,7 × 106 кг/см2. Пренебрегая массой шкива, троса и вала, определить растягивающее напряжение в тросе и наибольшее касательное напряжение в сечении вала.

Задача 5-9-5-19 | Сопротивление материалов

Статус: Задача не решена

Предмет: Сопротивление материалов

Ответ: 1822 кг/см2; 425 кг/см2.