ЗакладкиЗаказы ЗАКАЗАТЬ

Задача 5-4-3-48

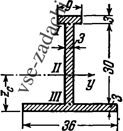
Сечение балки имеет форму неравнополочного двутавра (на рисунке размеры в см). Найти значения касательных напряжений τz в точках I, II и III стенки двутавра и наибольшую величину касательных напряжений τy в полках (параллельных оси y), если поперечная сила в сечении Q = 18 т и направлена вверх. Построить эпюры распределения касательных напряжений τz по высоте стенки и τy по ширине полок.

Задача 5-4-3-48 | Сопротивление материалов

Статус: Задача не решена

Предмет: Сопротивление материалов

Ответ: не указан.