ЗакладкиЗаказы ЗАКАЗАТЬ

Задача 5-3-1-8

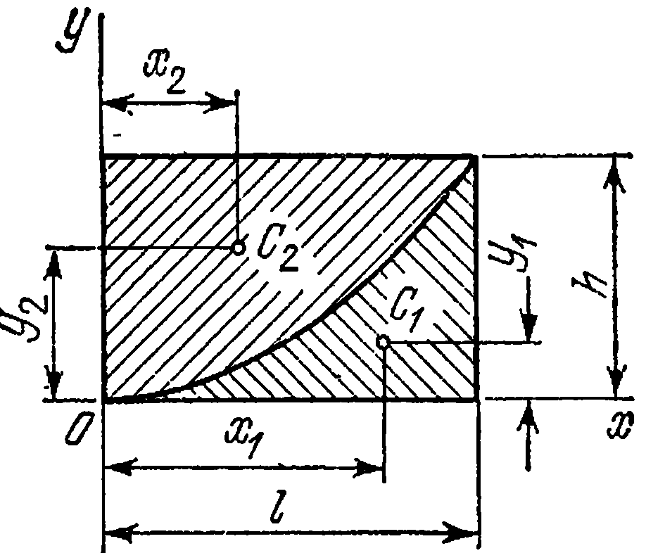
Прямоугольник шириной l и высотой h разделен на две части квадратной параболой y = ax2. Определить площади и координаты центров, образовавшихся при этом двух криволинейных треугольников.

Задача 5-3-1-8 | Сопротивление материалов

Статус: Задача не решена

Предмет: Сопротивление материалов

Ответ: не указан.