ЗакладкиЗаказы ЗАКАЗАТЬ

Задача 5-3-4-3

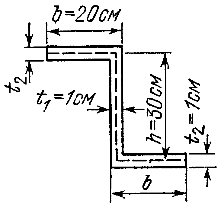
Для тонкостенного зетового сечения найти направления главных центральных осей и определить главные моменты инерции. Указать, какими слагаемыми при расчете тонкостенных сечений можно пренебречь.

Задача 5-3-4-3 | Сопротивление материалов

Статус: Задача не решена

Предмет: Сопротивление материалов

Ответ: не указан.