ЗакладкиЗаказы ЗАКАЗАТЬ

Задача 6-8-5-4

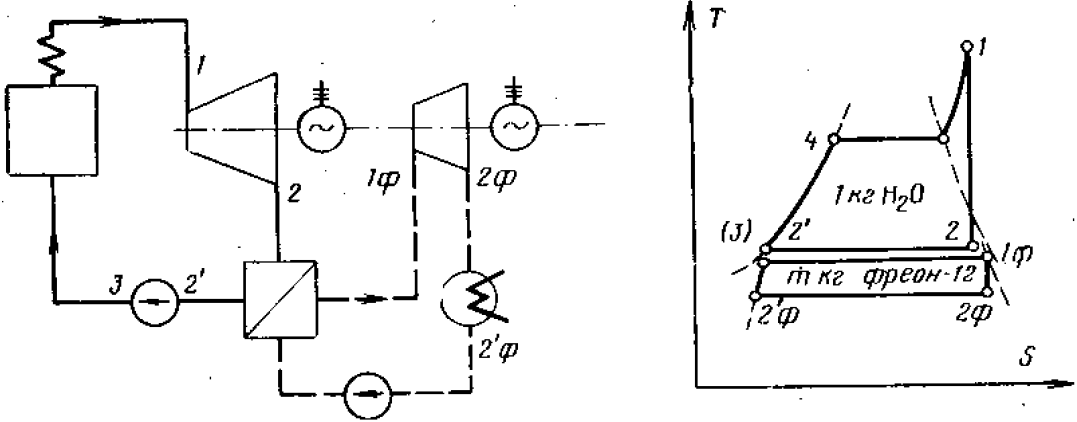
В северных районах в холодное время года целесообразна работа бинарных паротурбинных установок, в которых нижний цикл осуществляется насыщенным паром низкокипящего вещества.

Определить термический к. п. д. бинарного цикла вода — фреон-12. Схема установки и цикл изображены на рисунке.

Исходные данные для воды: p1 = 16,0 МПа; t1 = 540 ℃; p2 = 0,12 МПа; для фреона-12: t1 = 95 ℃; p2 = 10 ℃.

Сравнить полученный ηt,бин с термическим к. п. д. простого цикла Ревкина с рабочим веществом — водой, для которого максимальные параметры такие же, как и в бинарном цикле, а давление в конденсаторе p2 = 40 гПа.

Дополнительные к табличным данным, данные для фреона-12 таковы: при температуре насыщения ts = 95 ℃ энтальпии h’ и h’’ соответственно равны 522,1 и 599,2 кДж/K, а энтропии s’ и s’’ составляют 4,5020 и 4,7115 кДж/(кг × К).

Задача 6-8-5-4 | Техническая термодинамика

Статус: Задача не решена

Предмет: Техническая термодинамика

Ответ: ηt,бин = 0,475; ηt,p = 0,446.