ЗакладкиЗаказы ЗАКАЗАТЬ

Задача 5-4-3-42

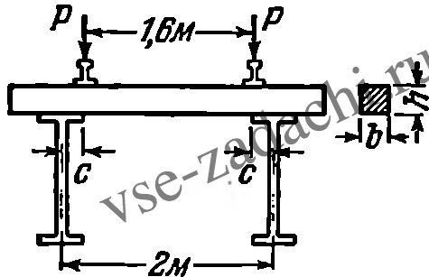
Определить величину нормальных н касательных напряжений, возникающих в опасном сечении мостового бруса пол давлением колес локомотива — P = 96 кн от каждого рельса (см. рисунок). Размеры поперечного сечения бруса: b = 21 см, h = 28 см. Считать, что брус опирается на продольные балки моста шарнирно н имеет пролет, равный расстоянию между осями их l = 2 м.

Задача 5-4-3-42 | Сопротивление материалов

Статус: Задача не решена

Предмет: Сопротивление материалов

Ответ: σmax ≈ 7000 кн/м2; τmax = 2450 кн/м2.