ЗакладкиЗаказы ЗАКАЗАТЬ

Задача 5-4-3-104

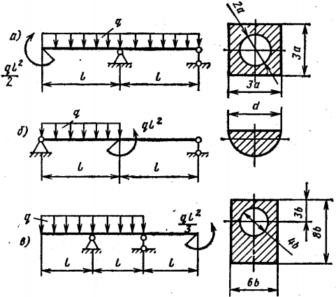
Определить из условия прочности размеры поперечных сечений балок, изображенных на рис. Дано: q = 5 кН/м; b = 0,2 м; [σ] = 200 МПа; σт.р = σт.с.

Задача 5-4-3-104 | Сопротивление материалов

Статус: Задача не решена

Предмет: Сопротивление материалов

Ответ: не указан.