ЗакладкиЗаказы ЗАКАЗАТЬ

Задача 3-6-1-96

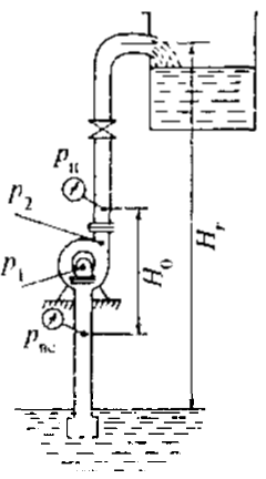
Определить полный напор, развиваемый насосом при перекачивании жидкости плотностью 960 кг/м3 из открытой в атмосферу емкости в аппарат с избыточным давлением pизб = 23 ат (рис.), расположенный на высоте 19 м, при общем сопротивлении всасывающей и нагнетательной линий 35 м.

Задача 3-6-1-96 | Гидравлика

Статус: Задача не решена

Предмет: Гидравлика

Ответ: не указан.